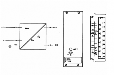
HIMA F7126 Power supply module
F 7126: Power supply module
Input voltage 24 V DC, output voltage 5 V DC
for PES H51q
The module supplies automation systems with 5 V DC from a main supply
of 24 V DC. It is a DC/DC converter with safe isolation between input and
output voltage. The module is equipped with overvoltage protection and
current limitation. The output is short circuit proof.
On the front plate there are a test socket and a potentiometer for adjusting
the output voltage.
To avoid unbalanced load with redundant use of the power supply F 7126
the difference between their output voltages may not be more than
0.025 V.
Operating data
Primary fuse
Output voltage
factory adjustment
Output current
Current limitation
Overvoltage protection
Efficiency rate
Interference
Space requirement
24 V DC, -15 … +20 %, rpp < 15%
6.3 A träge
5 V DC ± 0.5V adjustable without steps
5.4 V DC ± 0.025 V
10 A
approx. 13 A
set to 6.5 V/ ± 0.5V
≥ 77%
Limit class B
according to VDE 0871/0877
8 TE

F7126